重庆市2013年初中毕业暨高中招生考试
物理试题(A卷)
(全卷共四个大题,满分80分与化学共用120分钟)全卷取g=10N/kg。
一、选择题(本题共8个小题,每小题只有一个选项符合题意,每小题3分,共24分。)
1.同学们通过学习物理养成了关注生活和社会的良好习惯,对下列物理量的估测中,你认为最接近实际的是( )
A.教室课桌的高度约为80cm B.正常人l min脉膊的次数约为10次
C.重庆夏天最高气温约为70℃ D.教室里一盏日光灯的功率约为1000W
2.在图l所示的光现象中,属于光的直线传播的是( )
A.铅笔在水面处“折断” B.树林中的阳光 C.平面镜中的陶罐 D.水中树的“倒影”
3.如图2所示,自然界中的物态变化让我们领略了许多美妙景色,下列说法中正确的是( )
A.轻柔的雪是升华现象 B.凝重的霜是凝华现象 C.晶莹的露是熔化现象 D.飘渺的雾是汽化现象
4.一根锰铜线的电阻为R,要使这根连人电路的导线电阻变小,可采用的方法是( )
A.减小导线两端的电压 B.增大导线中的电流
C.将导线对折后连入电路 D.将导线拉长后连入电路
5.在图3所示的四种情景中,说法正确的是( )
A.拉小车 B.划木筏 C.提水桶 D.拉弹簧
A.小车受力被拉动后惯性增大 B.使木筏运动的力的施力物是人
C.水桶提得越高,它具有的重力势能就越小 D.弹簧被拉长说明力可以使物体发生形变
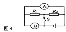
6.在图4所示的电路中,当开关S闭合后( )
A.若A表是电流表,B表是电压表,则电阻R1、R2并联
B.若A表是电流表,B表是电压表,则电阻R1、R2串联
C.若A表是电压表,B表是电流表,则电阻R1、R2并联
D.若A表是电压表,B表是电流表,则电阻R1、R2串联
7.小明利用图5所示的装置探究滑轮组的特点,他将重为3 N的物体匀速提高了0.5 m,已知绳子自由端的拉力F为2N,则绳端移动的距离s及提起重物时滑轮组的机械效率是( )
A.s=1.5 m,η=50% B.s=1.5 m ,η=80% C.s=l m,η=75% D.s=lm, η=37.5%
8.在图6所示的电路中,电源电压U保持不变,定值电阻R=20Ω。闭合开关s,当滑动变阻器R’的滑片P在中点c时,电流表示数为0.4A,当移动滑片P至最右端时,电流表示数为0.3 A。则电源电压U与滑动变阻器R’的最大阻值为
A.6V 10Ω B.6V 20Ω C.12V 20Ω D.12V 40Ω
>>点击下载完整版试题及答案