福州2013年初中毕业班物理模拟试题及答案
(全卷五大题,31小题,满分:100分; 考试时间:90分钟)
友情提示:请把所有答案填在答题卡上!本卷g取10N/Kg
一、选择题(本大题有14小题,每小题2分,共28分。每小题只有一个选项正确)
1.蛇年春晚,席琳迪翁用中文和宋祖英献唱《茉莉花》。下列有关的说法中,不正确的是
A.她们演唱时声带在振动 B.我们根据她们音色的不同,能分辨谁正在演唱
C 宋祖英轻声伴唱时,她声音的音调低 D席琳迪翁放声歌唱,她声音的响度大。
2.如图1,2012年6月16日,神舟九号与“天宫一号”飞行器载人交会对接成功。下面说法正确的是
A.神舟九号相对于天宫一号是静止的,相对于太阳也是静止的
B.航天员带到天宫一号内的物体的质量小于其在地面上时的质量
C.在天宫一号内,航天员可以直接进行语言交流,是因为声音可以在真空中传播
D.航天员和地面控制中心之间的信息是靠电磁波传递的
3.祖国的山河一年四季美景如画,图2中的描述属于凝华的是

4.下列数据中最接近实际的是
A.台灯的额定功率约为500 W B.手机正常工作时的电流约为10A
C.人体的平均密度约为1.0×l03kg/m3 D.光在真空中的传播速度约为3.8×108km/s 
5.福州市投放了150辆以天然气或汽油作为燃料的双燃料汽车,为改善福州市的空气做了很大的贡献,以下说法正确的是
A.燃料的热值越大,燃烧时放出的热量越多
B.天然气是清洁能源,它是可再生能源
C.在压缩冲程中,燃料混合物的温度升高,内能增大
D.汽油与天然气相比,燃烧时汽油对环境的污染较小
6.2013年春晚运用了许多新技术,其中全息LED屏幕可以任意升降,组合成绚烂唯美3D的画面。LED屏幕主要利用发光二极管工作的。发光二极管的主要材料是
A.导体; B.半导体; C、超导体; D、纳米材料
7.关于安全用电,下列说法正确的是
A.使用三孔插座是为了使用方便 B.三脚插头内有一根导线与用电器的外壳相连
C.保险丝烧断一定是发生了短路 D.高压警示牌提醒我们安全电压为220V;
8.高速公路收费站用如图3所示的计重秤,对过往的超载货车实施计重收费。以下几种有关计重秤的说法中,正确的是
A.称重表相当于一个电压表 B.电路中的R1是没有作用的
C.当车辆越重时,称重表的示数越小 D.当车辆越重时,称重表的示数越大
9.如图4是一种“吸盘式”挂衣钩.将它紧压在平整、光洁的竖直玻璃上,可挂衣帽等物品.它主要部件是一个“橡皮碗”,下面有关的说法错误的是
A. 被玻璃“吸”住后,皮碗内的气压小于大气压
B. 皮碗内挤出的空气越少,吸盘贴在玻璃上就越紧
C. 皮碗与墙壁之间的摩擦阻止衣物向下的移动
D. 不能紧贴在粗糙的水泥墙壁上,粗糙面与吸盘之间有缝隙、会漏气
10.如图5甲所示,邻居大叔
正吃力地把一重物送往高台,放学回家的小翔看见后急忙前去帮忙。他找来一块木板,搭成图乙所示的斜面,结果非常轻松的把重物推到了高台上。关于这两种方法,下列说法正确的是:
A.甲乙机械效率是一样的 B.大叔克服重力做功较多
C.两人做同样多的有用功 D.小翔做功的功率要大些
11.关于图6所示电与磁部分四幅图的分析,其中正确的是


A.图6(a)装置不能检验物体是否带电
B.图6(b)装置说明只要导体在磁场中运动,就会产生感应电流
C.图6(c)实验说明通电导线周围有磁场
D.图6(d)是利用电流的磁效应工作
12.如图7所示的是2012年11月25日国产歼-15舰载机首次在“辽宁号”航空母舰上成功起降的情景,下列有关的物理知识中,说法错误的是
A、飞机起飞时,尾部高速喷出燃气,说明力的作用是相互的;
B、飞机起飞后,航母底部受到的压强变小,但浮力不变;
C、飞机降落时,不能立即停止下来,是由于飞机有惯性
D、飞机降落时,被阻拦索挂住立即停下来,说明力能改变物体的运动状态。
13.图8电路中,电源电压保持不变。当电键S闭合后,电路正常工作,一会儿后,灯L熄灭,电压表V的示数发生变化。若电路故障只发生在电阻R或小灯L上,则故障是
A 电压表的示数变大时,一定是灯L断路 B 电压表的示数变大时,一定是电阻R断路
C 电压表的示数变小时,一定是灯L短路 D电压表的示数变小时,一定是电阻R短路
14.如图9,在四个相同水槽中盛有质量和温度都相同的水,现将电阻丝R1、R2(R1<R2),分别按下图的四种方法连接放入水槽,并接入相同电路。通电相同时间后,水温最高的是:
二、填空、作图题(本大题有7小题,每空1分,共20分)
15.如图10,上海市的天空出现“三个太阳”和“倒挂的笑脸彩虹”的奇景。专家解释说,奇景是在太阳光射到高空半透明云层里柱状的冰晶,使太阳光发生____射,形成太阳的___(填“实”或“虚”)像。太阳能是来源于太阳内部发生的核____变,是_____再生的能源。
16.校车安全备受社会关注。(1) 校车的外部容易接触到的部位不得有锐边、尖角、毛刺,这是为了减小对乘员的________;(2)校车专用“防滑轮胎”是为了增大__________。
17.如图11,我国“蛟龙号”潜水器成功地完成了7km的海试任务。蛟龙号的总质量是22吨。(1)、7km深处的蛟龙号受到海水的压强是______Pa。(ρ海水=1.0×103kg/m3)
(2) “蛟龙号”潜水器在深海中悬停时,它受到的浮力是__________N;任务完成后,蛟龙号上浮的过程中,它受到的浮力将_____(选填:增大/减小/不变)。
18.冰糖葫芦是小朋友喜爱的零食,制作时,先将洗净的山楂穿在竹签上,然后将适量的白糖放入锅中加热,利用_______的方法增加了糖的内能,待白糖_____(物态变化名称)成液态的糖浆,再在山楂上蘸上糖浆,等糖浆______(“吸收”或“放出”)热量_____(物态变化名称)成固态,这样就做好了冰糖葫芦。
19.如图12电子式单相电能表已经广泛使用,其重要参数imp/kW·h表示用电1 kW·h耗电指示灯闪烁的次数。如图11所示小明家的电能表,他家中同时工作的用电器的总功率不能超过 W.他家的电能表标明“6400imp/(kW·h)”,当某用电器单独接在该表上,用电器正常工作5min,指示灯闪烁了640次,则5min内该用电器消耗的电能为__________kW·h,该用也器的额定功率为__________W。
20.如图13可知,用滑轮组将一个重为5N的物体匀速提升10cm,由
图可知,绳端受到的拉力F为_N,滑轮组的机械效率η为_ __ 。
21.请你按照下列要求作图
(1)画出松手后铁锁运动到图14所示的A位置时,铁锁受到重力的示意图。
(2)请你完成如图15的光路图.
(3)如图16所示,根据小磁针静止时的指向,标出电源的正极及通电螺线
管的N极位置.(4)请画出图17中拉开右边眼镜脚的力F的力臂.
三、简答题:(本大题3分)
22.如图18所示,在火车站或地铁站站台上,离站台边缘1米左右的地方标有一条黄色的安全线,人必须站在安全线以外候车。请分析,为什么当火车驶过时,如果人站在安全线以内,即使与车辆保持一定的距离,也是非常危险的?
四、计算题(本大题有3小题,共19分)
23.(5分)2013年3月,日本成功分离出可燃冰。1m3的可燃冰可在常温常压下可分离出164m3的天然气。已知天然气的热值为3.6×107J/ m3。燃烧164m3的天然气使16吨的水温度从20℃升高到100℃。求:(1)水需要吸收热量?(C水=4.2×103J/kg·℃))
(2) 完全燃烧164m3的天然气,则可以放出多少J的热量?天然气的燃烧效率是多大?
24.(6分)福州市正在建地铁1号线,引起了全市人民的关注。某中学综合实践活动小组的同学们
收集到地铁机车和公交汽车在某段运行区间内的相关数据如下:
| × |
地铁电力机车 功率106W |
平均速度 60 km/h |
牵引力 5×104N |
额定载客量500人 |
| ××型号公交汽车 | 燃油热值 4×107 J/kg |
平均速度 15 km/h |
牵引力 3000 N |
额定载客量40人 |
(1) 公交汽车的质量约为2000kg,静止时轮胎与水平路面接触的总面积约为0.2m2,求:静止时公交汽车对路面的压强有多大?
(2) 甲、乙两地铁站相距1.8 km,地铁机车运行需要多长时间? 机车运行时,牵引力做了多少J的功?地铁机车运行时消耗多少电能? 地铁机车的效率是多少?
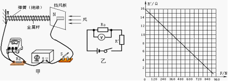
25.(8分) 图20甲是某班科技小组设计的风力测定装置示意图,图乙是其电路图。电阻R/随风力变化关系如图丙所示。已知电源电压恒为9V,定值电阻R0=2Ω,电压表量程为0~3V。使用该装置测定风力,则(1)电阻R/的阻值随风力的增大怎样变化?
(2)求无风时电压表的示数。 (3)
如果保持电压表量程不变,且只能在电路中增加一个电阻R ,使该装置能测量的最大风力增加到900N,计算电阻R的阻值,并说明其连接方式。 (4)计算改装后该装置电路总功率的变化范围。(计算结果保留一位小数)

五、实验、探究题(本大题有7小题,共30分)
26.如图21甲图新铅笔的长度是___cm。
27.(4分)小华的妈妈从市场买回色拉油。小华想知道这种色拉油的密度,于是她就进行了如下的探究:
(1)将托盘天平放于水平的桌面上,移动游码至标尺左端“0”刻度处,发现指针静止时的位置如图22甲所示,则应向________(选填“左”或“右”)调节平衡螺母使横梁平衡。
(2)小华进行了如下的实验操作:A、用天平称出空烧杯的质量m0=20g;
B、用天平称出烧杯和剩余色拉油的总质量m1=27g; C、往烧杯中倒入适量的色拉油,用天平称出烧杯和色拉油的总质量m2,右盘所加的砝码和游码位置如图22乙所示,天平平衡。 D、把烧杯中一部分色拉油倒入量筒,如图22丙所示,测出这部分色拉油的体积V;
小华同学的操作中:一个不必要的步骤是________;为了实验误差最小,操作步骤的正确顺序是_____________________;该色拉油的密度为______ g/cm3。
28.(5分)在“观察水沸腾”的实验中:
(1)请你指出图23甲中实验操作错误之处是 。
(2)改正错误后,继续实验。某时刻温度计的示数如图乙所示,则此时水的温度是 ℃;
(3)当水温升高到90℃时,每隔1min记录一次水的温度,直到水沸腾后再持续几分钟为止。并根据记录的数据,画出如图丙所示的图像;
根据图像中可知:①水的沸点是 ℃,由此可判断出当时水面上方的气压
(选填“>”、“=”或“<”)1标准大气压。
29.(6分)小乐和小霞分别探究“平面镜成像特点”和“凸透镜成像规律”,实验装置图分别如图甲和图乙所示:
(1)如图甲所示,小乐在探究“平面镜成像特点”的实验中:
①实验中,M是___(选填:平面镜/玻璃板);
②为探究像与物的大小关系,对选取的两只蜡烛的要求是 _____________;
(2)如图乙所示,小霞在探究“凸透镜成像规律”的实验中, 将蜡烛、焦距等于10cm的凸透镜、光屏放在光具座上:①当蜡烛到凸透镜的距离为15cm时,移动光屏,直到光屏上成清晰的像,该成像规律在实际生活中的应用是______;
②当蜡烛到凸透镜的距离为12cm时,移动光屏,直到光屏上成清晰的像,此时观察像的大小,与②中所成像的大小相比变_______;
③其中的一次实验情景如图24乙所示,为了得到清晰的像,光屏应向_______(选填“远离”或“靠近”)透镜的方向移动.④当蜡烛到凸透镜的距离为5cm时,为观察凸透镜成像特点,小霞应从图24乙中凸透镜的________(选填“左”或“右”)侧进行观察.
30.(8分)在“测量定值电阻阻值”和“测量小灯泡电功率”的实验中:
(1)婷婷要测量定值电阻的阻值,请你将如图25乙的电路用笔画出的线连接正确(要求:滑片P向右移动时,通过电阻R的电流变大,导线不得交叉)
实验开始前,要将变阻器的滑片P移至 端。婷婷闭合开关,发现电流表有示数,电压表无示数,则出现该故障的原因是 (写出一种即可);
(2)她排除故障后,闭合开关,移动滑动变阻器的滑片到某一位置时,观察到电流表的示数为0.2A,电压表示数如图25甲所示,则定值电阻阻值为 Ω。她仅把这一次实验测得的阻值作为最后的结果,同组的小明认为这种做法不合适,其不合适的理由是 。
(3)测出电阻后,同组的小明将电路中的定值电阻换成了一个额定电压为2.5V的小灯泡,来测量小灯泡的电功率,闭合开关后,调节滑动变阻器滑片P,使电压表示数为
V时,小灯泡正常发光,如果此时电流表示数如图25丙所示,则小灯泡的额定功率是 W。
(4)另一实验小组同学,按正确方法完成实验后,分别绘制了“定值电阻”和“小灯泡”的U—I图像如图26所示,则表示“定值电阻”的U—I图像的是 (填“甲”或“乙”),这样判断的依据是 。
31.(6分)小明骑自行车上学途中,要经过一段上坡路。他想:车子冲上斜坡的最大距离可能与哪些因素有关呢?(1)猜想:①猜想1:车子冲上斜坡的最大距离可能与车子上坡前的速度有关。从能量转化看,车子上坡前的速度越大,它的动能也越大,上坡过程中转化成的___________就越多。②猜想2:车子冲上斜坡的最大距离可能与车子的质量大小有关。③你的猜想是:车子冲上斜坡的最大距离可能与____有关。
(2)为了探究“车子冲上斜坡的最大距离是否与车子的质量大小有关”,小明将光滑水平面平滑的长木板以一定的倾角θ固定,左边放置一个固定在水平面的光滑斜面,如图所示。
①实验中如果以正方体物块代替车子,则要求物块的_____________相同,________不同(“质量”、“材料”或“底面积”)
②实验时为了让不同的正方体物块以相同的速度冲上长木板,应该使物块从斜面的______高度处开始由静止滑下。③下表是小明记录的实验数据:
| 实验次数 | 1 | 2 | 3 | 4 | 5 |
| 物块质量m(g) | 20 | 30 | 40 | 50 | 60 |
| 物块冲上斜坡的最大距离s/cm | 30 | 30.5 | 29.8 | 30 | 31 |
分析可知:车子冲上斜坡的最大距离可能与车子的质量大小___________
(4)若把上图中的长木板放水平,添加毛巾、棉布、小钢球等器材,利用本实验装置还可以探究什么问题:______________________________(写一个问题即可)