2014年广东省初中毕业生学业考试物理试题
(揭阳市中考题)
说明:1.全卷共8页,满分220分(其中物理100分、历史60分,生物60分)考试时间120分钟。
2.考生答卷前,必须将自己的姓名、准考证号、座位号、考场号按要求分别填写。
3.考生必须将选择题所选的选项用2B铅笔在答题卡上对应位置涂黑;非选择题的大暗暗必须用黑色字迹钢笔或签字笔在答题卡相应位置上作答,不按要求作答的答卷无效,不能使用改正纸或涂改液。
4.考试结束后,将试题、答题卡交回。
第一部分 选择题(共111分)
一 选择题
1.下列估测数值中最接近实际情况的是( )
A.一个中学生的体重约为50N B.人心脏正常跳动一次的时间大约在3s~5s
C.一元硬币的直径约为2.5cm D.电视机正常工作的电功率约为1000W
2.关于声音,下列说法正确的是( )
A.一切发声的物体都在振动 B.只要物体在振动,我们就能听到声音
C.只有超声波才能传递能量 D.声音在真空中的传播速度为3×108m/s
3.小明在学习“从粒子到宇宙”的知识后,有下列认识,其中正确的是( )
A.雪花飞舞说明分子在做无规则运动 B.地球是宇宙的中心
C.温度越高分子无规则运动越剧烈 D.电子的尺度比原子的尺度大
4.在如图所示的实验装置中,当开关闭合时,能观察到导体棒ab沿金属导轨运动.利用这一现象所揭示的原理可制成的设备是( )
A.电热器 B.发电机 C.电动机 D.电磁继电器
5.小瑛乘电梯从一楼匀速上升到二楼的过程中,下列说法中错误的是( )
A.小瑛相对于电梯是静止的 B.小瑛的动能逐渐增大
C.电梯对小瑛做了功 D.小瑛的重力势能逐渐增大
6.下列现象中是由于光的折射形成的是( )
A.桥在水中形成“倒影” B.池水的深度看起来要比实际浅
C.手在灯光下形成影子 D.汽车后视镜可扩大视野
7.在炎热的夏季,同学们常往饮料中加入冰块,在冰块逐渐变小的过程中,其发生的物态变化和吸放热情况是( )
A.熔化、吸热 B.汽化、吸热 C.熔化、放热 D. 升华、放热
8.如图所示,弹簧测力计拉着放在水平桌面上的木块,使其作匀速直线运动.以下叙述中的两个力属于一对平衡力的是( )
A.测力计对木块的拉力与木块所受的重力
B.手受到测力计的拉力与木块受到桌面的摩擦力
C.木块受到的重力与桌面对木块的支持力
D.木块对桌面的压力与桌面对木块的支持力
9.下图中的电路图和实物图相对应的是( C )
10.关于温度、热量、内能,下列说法正确的是( )
A.物体的温度越高,所含热量越多 B.温度高的物体,内能一定大
C.0℃的冰块内能一定为零 D.温度相同的两物体间不会发生热传递
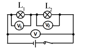
11. 在探究串联电路电压关系的实验中,物理实验小组按如图所示的电路测得电压表V的示数是3.8V,电压表V1的示数是2.3V,电压表V2 的示数应为( )
A.1.5V B.3.8V C.2.3V D.6.1V
12. 下列做法符合安全用电规范的是( )
A.带金属外壳的用电器使用时没有必要接地
B.使用测电笔时,切不可用手直接接触金属笔尖
C.家用电器或电线着火时,首先应该迅速用水来灭火
D.控制电灯的开关接在零线上
13.小红在厨房帮妈妈做饭时,观察到的一些现象并用物理知识解释错误的是( )
A.磨刀后切菜更容易——减小受力面积,增大压强
B.用筷子夹菜——省力杠杆
C.刀柄上刻有花纹——增大接触面的粗糙程度,增大摩擦
D.塑料挂钩的吸盘吸在光滑的墙上—— 吸盘因大气压而产生吸力
第二部分 非选择题(共109分)
二 作图题(本题2小题,共5分)
1.(2分)图甲为自行车脚踏板的示意图,作用在脚踏板上的力为F,请在图中画出该力的力臂。
2. (3分)试在图乙中画出光线AO经过水面反射后的光路图,并标明入射角和反射角的大小。
三、填空、实验题(本题5小题,共25分)
3.(4分)数码相机已在我们的生活中普及,照相机的镜头相当于一个 凸 透镜,若照相机镜头的焦距为50mm,当被拍照的人到镜头的距离大于100mm时,会得到一个 缩小、倒立的实像。
4.(4分)在图中杠杆上的A点挂四个重均为1N的钩码,用调好的弹簧测力计竖直向上拉杠杆上的B点,使杠杆在水平位置平衡,如图所示,测力计的示数是 2 N;如果将测力计沿图中虚线方向拉,仍使杠杆在水平位置平衡,则测力计的示数将 变大 (“变大”、“不变”或“变小”)。
5.(4分)电能表表盘上标有“3000R/kW·h”的字样,将某用电器单独接在该电能表上,正常工作30min,电能表转盘转动了300转,则该用电器在这段时间内消耗的电能是 0.1 kW·h,该用电器的功率是 200 W。
6.(4分)在汽油机的一个工作循环中,内能转化为机械能的是 做功 冲程;某汽车行驶100km消耗汽油7kg,这些汽油完全燃烧能放出 3.22×108 J的热量。(汽油的热值q=4.6×107J/kg)
7.(9分)小瑛用图甲的电路测量额定电压为2.5V的小灯泡电阻,图乙是未完成连接的实验电路。
(1)请你按要求,用笔画线代替导线,完成图乙中实验电路的链接。要求滑动变阻器滑片向左移动时,电流表示数增大。

(2)小瑛按要求正确连接电路后,闭合开关,发现电压表指针偏转到满刻度的位置。其原因可能是: 小灯泡断路了 。(写出一个)
(3)电路正常后,小瑛闭合开关,调节变阻器的滑片,使小灯泡刚好正常发光,此时电流表的示数如图丙所示,电流表的读数是 0.3 A,小灯泡的阻值是 8.3 Ω(小数点后保留一位)。
(3)小瑛又想测某未知电阻Rx的阻值,设计了如图丁所示电路(R为已知阻值的定值电阻),并设计了如下实验步骤,请帮他把缺少的步骤补全,并写出Rx的表达式。
实验步骤:A.按照设计的电路图连接电路;
B.S断开时,读出电流表示数记录为I1;
C. S闭合时,读出电流表示数记录为I2
表达式:Rx=(用已知物理量和测量出物理量的符号表示)。
四、计算题(本题2小题,共15分)
8.(7分)一辆小汽车,总重为1.2×104N,四个轮胎与地面接触的总面积为0.12m2,小汽车以72km/h的速度在水平路面上匀速行驶时,发动机的实际功率为20kW。若小汽车行驶的距离为100km,求:
(1)该车静止在水平路面上时,对路面的压强是多少。
(2)小汽车在这段路程中发动机所做的功。
9.(8分)如图所示电路中,电源电压保持6V不变。
(1)当闭合开关S,断开开关S1时,电流表的示数为0.2A,求电阻R2的阻值。
(2)当同时闭合开关S和S1时,电流表的示数为0.6A,求电阻R1消耗的电功率和通电10min电路消耗的电能是多少。
;
五 综合能力题(本题共2小题,共16分)
10.(8分)去年12月,我国已成功发射了“嫦娥三号”探测器,搭载的月球车构造如图所示,月球车上的太阳仪可以自由旋转寻找太阳的位置,然后将 可再生 (可再生、不可再生)的太阳能转化为电能;当月球上为黑夜时,月球车必须用核能来保温,核能是 一 次能源。目前,对月球探测已掌握的有关材料有:月球上没有空气;月球上没有磁场。假如有一天,你成功登上月球,你能用哪些物理实验或方法验证上述事实。
(1)验证月球上没有空气 人与人面对面说话却听不到声音 。
(2)验证月球上没有磁场 用指南针指示方向但指针却不动 。
11.(8分)在测矿石密度时,选用了天平、量筒、小矿石、细线、烧杯和水等器材进行实验:
(1)在调节天平时,发现指针位置如图甲所示,此时应将平衡螺母向 左 调(选填 “左”或“右”)。
(2)用调节好的天平秤小矿石的质量。天平平衡时,放在右盘中的砝码和游码的位置如图乙所示,则被测物体的质量是 62 g;量筒量出小矿石的体积如图丙所示,体积为 20 cm3,则小矿石的密度ρ= 3.1×103 kg/m3。
(3)小帆准备用弹簧测力计、烧杯、水、吸盘、滑轮、细线来测量木块(不吸水)的密度。
①如图甲所示,用弹簧测力计测出木块在空气中的重力为 0.6 N。
② 将滑轮的轴固定在吸盘的挂钩上,挤出吸盘内部的空气,吸盘在 大气压 作用下被紧紧压在烧杯底部,如图乙所示。向烧杯中倒入适量的水,将木块放入水中后,用弹簧测力计将木块全部拉入水中,如图丙所示,此时弹簧测力计示数为0.4N .
③如果不计摩擦和绳重,图丙所示的木块受到的浮力,为 1 N,木块的密度为 0.6×103 kg/m3.
点击下载完整版:揭阳市2014年中考物理试题及答案(Word版)