陕西中考

3773考试网2016中考陕西中考正文

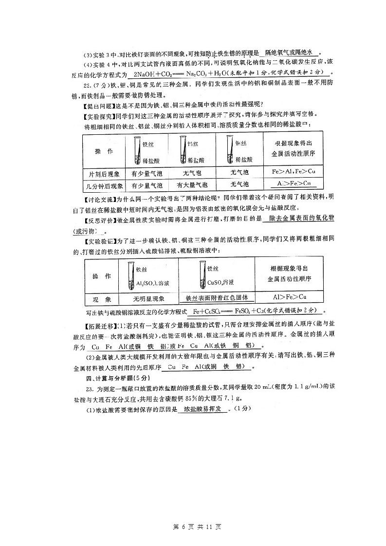
[组图]陕西2011中考理化试题及答案

来源:fjzsksw.com 2011-6-28 10:30:46



上一页  [1] [2] [3] [4] [5] [6] [7] [8] [9] [10]  ... 下一页  >> 

触屏版 电脑版
3773考试网 琼ICP备12003406号-1