26.(4分)如图所示为小玲和小辉同学制作的直流电动机模型,他们用回形针做成两个支架,分别与电池的两极相连;用漆包线绕一个矩形线圈,以线圈引线为轴,并用小刀刮去轴的一端全部漆皮,另一端只刮去上半周漆皮,将线圈放在支架上,磁体放在线圈下,闭合开关且用手轻推一下线圈,线圈就会不停地转动起来.
(1)直流电动机的工作原理是 ▲ .
(2)将线圈两端引线的漆皮,一端全部刮掉,另一端只刮半周,其作用与直流电动机中的 ▲ 作用相同.
(3)通过改变 ▲ 方向,可以改变线圈的转动方向.
(4)如果电池、开关、导线的连接和性能良好,闭合开关后,线圈不能连续转动,请你分析可能的原因是 ▲ .
27.(6分)探究产生感应电流条件的实验步骤如图甲、乙、丙所示.
(1)本实验中,我们通过观察什么现象来判断电路中是否有感应电流? ▲ .
(2)通过比较图 ▲ 与图 ▲ 可知,产生感应电流的一个条件是电路要闭合;通过比较图 ▲ 与图 ▲ 可知,产生感应电流的另一个条件是导体要在磁场中做切割磁感线运动.
(3)若图甲中AB棒不动,磁铁左右水平运动,电路中 ▲ (有/无)感应电流.
28.(2分)在物理实验中,对物理量进行多次测量,有的是为了通过多次测量提高精度,有的是为了通过多次测量寻找规律.下面四个实验中,哪个是通过多次测量提高精度
A.在探究“并联电路中干路电流与各支路电流的关系”时测量多组对应的干路电流和各支路电流
B.在探究“串联电路各点间电压的关系”时测量多组对应的总电压和各部分电路两端的电压
C.在探究“电阻上的电流与两端电压的关系”时测量多组对应的电流和电压值
D.在“测量某段导体的电阻”时,测量多组对应的电流和电压值
29.(9分)初三年级的几位同学在做“测量小灯泡的电功率”实验.
(1)请在方框中画出实验电路图;
(2)在连接电路时,开关应 ▲ ,滑动变阻器的滑片应移到
▲ 处;
(3)小荣同学实验时,所用的电压表量程是0~3V,但刻度模糊不清,无法直接读出实验数据,却能从0~15V档的刻度线看出指针停在11.5V处,则加在电压表两端的实际电压为 ▲ V.
(4)平平同学连接好实验电路,检查无误后,闭合开关,发现电流表指针偏转,电压表指针几乎不动,该故障的原因是 ▲ .
A.灯泡灯丝断了 B.电流表接线短路 C.电源线接触不良 D.灯座接线短路
(5)小明同学按同一电路连接好最后一根导线,灯泡立即发出明亮耀眼的光并很快熄灭.检查后发现连线正确,请你找出实验中两个操作不当之处:
① ▲ ;
② ▲ .
30.(8分)十二五期间,太阳能汽车是我国重点发展项目,余丽同学通过查阅资料得知:某品牌的太阳能辅助混合动力汽车,满载时全车最大质量是1800kg,太阳能电池板11.5m2,太阳能电池板向电池充电平均每平方米可提供200W的电功率.该车以72km/h的速度匀速行驶时所受的平均阻力是车重的0. 15倍.蓄电池组向电机提供工作电压为450V.试通过计算回答下列问题(g取10N/kg):
(1)汽车满载时,在平直的路面上以72km/h的速度匀速行驶时牵引力是多少牛顿?
(2)若昆山年平均日照时数约为2.2×103小时,在昆山,这种汽车一年能将多少焦的太阳能转化为电能?
(3)若汽油的燃烧值为4.6×107J/kg,该汽车在昆山一年从阳光转化的能量相当于燃烧多少千克汽油的能量?
(4)假设电池组输出的电功率等于该车牵动汽车的机械功率,该车满载时在平直路面上以72km/h的速度匀速行驶时,蓄电池组工作电流多少安培?
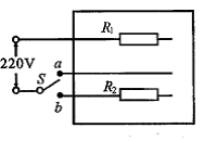
31.(8分)右图是一个加热、保温电路的一部分。电热丝R1规格为“220V 1100W”,限流电阻R2=506Ω.电路的工作原理是:当温控开关S接a时,电热丝R1接入电路,电路处于加热状态;当达到一定温度时,温控开关S自动从a切换到b,电路处于保温状态.正常工作时,加热功率1100W,保温功率88W.(电源电压保持不变,电阻不随温度变化.)
(1)请你按照上述原理,对右图进行连线,使它成为完整的电路图;
(2)某天在使用(1)中已经连接完整的电路时,R1烧毁了,有人想使电路恢复正常工作,设计了下面方案,请通过计算、分析,对两个方案作出评价:
方案一:用“220V220W”电热丝R3、“220V880W”电热丝R4串联替代R1;
方案二:用两根都是“220V550W”的电热丝R5并联替代R1.
(3)请你选用下表所提供的电热丝,再设计一个方案,使(2)中损坏的电路恢复正常工作,并说明设计理由.电热丝:
参考答案
