2013年南京市建邺区九年级学生学情调研卷(Ⅰ)
物 理
一、选择题(每小题2分,每题只有一个答案正确,共24分)
1.下列数据中最接近生活实际的是( ▲ )
A.人眨眼一次的时间约5s B.人步行的速度约1.4m/s
C.教室天花板离地面的高度约8m D.人体感觉舒适的气温约37℃
2.下图的描述中,属于凝华现象的是( ▲ )

3.下列叙述中的“影”,属于光的折射现象的是( ▲ )
A.立竿见“影” B.形“影”不离
C.湖光倒“影” D.毕业合“影”
4.关于下列四幅图的说法正确的是( ▲ )

A.小明敲鼓时用力越大,鼓发出声音的音调越高
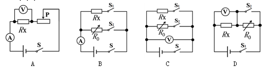
B.广口瓶中的空气越稀薄,人听到手机的响声越小
C.纸板划得越快,梳齿振动得越快,发出声音的响度越大
D.安装“噪声监测仪”可以根治噪声污染
5.下图符合安全用电原则的是( ▲ )

6.下列关于“粒子和宇宙”的说法中,正确的是( ▲ )
A.电子的尺度比原子的尺度小
B.雪花漫天飞舞说明分子在做无规则运动
C.固体很难被压缩是由于固体分子间有空隙
D.太阳是太阳系的中心,它永远是恒定不动的
7.用图示装置探究液体压强的特点,下列做法能使U形管两边液面高度差变大的是( ▲ )

A.将金属盒上移 B.金属盒的位置不动,从烧杯中取出部分水
C.将金属盒在原位置转动180° D.将金属盒放在同深度的盐水中
8.如图所示,水平公路上行驶的汽车突然刹车后,车上的人前倾.这一现象表明( ▲ )
A.车具有惯性 B.人具有惯性
C.人没有惯性 D.人和车都具有惯性
9.科学家们研制出一种具有超塑延展性的铜,它在室温下可以被拉长50多倍而不出现裂纹,组成这种铜的主要材料是( ▲ )
A.磁性材料 B. 纳米材料 C.半导体材料 D.超导材料
10.下图甲是探究“阻力对物体运动的影响”的实验装置,图乙是探究“物体的动能与质量关系”的实验装置.关于这两个实验的说法中错误的是( ▲ )

A.甲、乙实验中物体运动时,机械能始终保持不变
B.乙实验可得出物体的速度一定时,质量越大,动能越大
C.甲实验可以推理出:如果运动的物体不受力,它将以恒定不变的速度一直运动下去
D.两个实验都控制物体从同一高度自由下滑,是为了保证物体到水平面时的初速度相同
11.下列说法中,正确的是( ▲ )
A.机械能为零的物体,内能一定也为零
B.炽热的铁水具有内能,冰冷的铁块不具有内能
C.铁丝被快速弯折的过程中,温度升高是因为机械能转化成内能
D.汽油机的压缩冲程中,主要是用热传递的方法增加了气缸内物质的内能
12.要测量一个阻值约为600Ω的电阻Rx,提供的器材有:干电池两节、学生用电压表(量程为0—3V、0—15V)、学生用电流表(量程为0—0.6A、0—3A)、滑动变阻器(10Ω 2A)和电阻箱R0(0—9999Ω 5A)各一个,开关、导线若干.下列四个设计方案中,能测出Rx阻值的最合理的方案是( ▲ )