28.阅读下列材料,回答问题。(13分)
材料一“金砖国家”南非近年来经济持续放缓。2015年12月2日,习近平总书记访问南非,中国和南非签署了价值400多亿元的合作协议,中国多家金融机构扩大对南非融资规模,推动南非增长乏力的经济。
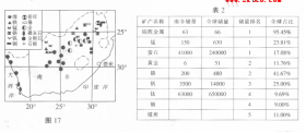
材料二图17为“南非矿产资源分布图”。

材料三表2为“南非矿产资源储量情况表(单位:千吨)”。
(l)南非矿产资源具有___的特点。(3分)
(2)南非发展有色冶金工业的有利自然区位条件主要有__,制约其发展的不利区位条件有___(5分)
(3)中国金融机构扩大对南非融资规模,这对南非有色金属工业发展的意义主要有_____。(5分)
29.图18为“长江经济带位置示意图”,图19为“长江流域主要水利枢纽分布图”。读图回答问题。(14分)

(1)长江水能资源蕴藏量居我国首位,其主要分布在__,原因是这些地区的河流__。(3分)
(2)长江流域大力开发利用水能资源对生态环境的有利影响主要有__等。(3分)
(3)长江中下游河段,开发利用的重点有___。(2分)
(4)为加强长江流域区际联系,实现优势互补,正在实施的资源跨区域调配工程有___。这对江苏社会经济的影响有___等。。(6分)
30.A【海洋地理】图20为“2月太平洋局部海区表层海水多年平均水温分布图”(单位℃),图21为“2016年2月太平洋局部海区表层海水温度距平分布图”(单位℃)。读图回答问题。(10分)

(l)图示海域表层水温分布特点主要有____,影响其分布的主要因素有__。(4分)
(2)2016年2月太平洋局部海域表层海水温度距平的变化表现为____,海水温度的这种变化易引发____现象。(3分)
(3)该现象对太平洋东岸地区的影响主要有____。(3分)
30.B【旅游地理】图22为“近年徐州市新建的某滑雪场及附近地区图”。读图回答问题。(10分)

(1)按旅游资源分类,徐州滑雪场属__,其观赏方法有____。(3分)
(2)试评价该滑雪场的旅游开发条件。______(4分)
(3)为保障游客的人身安全,景区可采取的防范措施主要有______。(3分)
30.C【城乡规划】图23为“新加坡城市总体空间布局示意图”。读图回答问题。;(10分)

(1)高密度住宅区分布的特点是鱼,其好处是鱼________。(2分)
(2)城市绿地的布局特点是____,其环境效益主要有____。(5分)
(3)新加坡成为世界级宜居城市,原因除绿地多外,还有____。(3分)
30.D【环境保护】图24为“巢湖五个监测站总磷、总氮不同年份的含量变化图(单位:mg/L)”。图25为“巢湖流域1985年与2015年城镇范围图”,表3为“各类水质总磷、总氮含量标准表(单位:mg/L)”。读图回答问题。(10分)



(1)按水质分类标准,目前巢湖水质总体为__,判断理由是__,水体中氮、磷主要来自___。(4分)
(2)巢湖的水质状况直接引发____,该问题带来的危害主要有____。(4分)
(3)治理该湖环境问题的主要措施有__。(2分)
南通市2016届高三第二次调研测试地理参考答案及评分标准
一、选择题
(一)单项选择题:本大題共18小题,毎小题2分,共计36分。在每小题给出的四个选项中,只有一項是符合題目要求的。
1.B 2.C 3.A 4.D 5.C 6.A 7.D 8.A 9.C 10.B
11.B 12.B 13.C 14.A 15.D 16.C 17.A 18.B
(二)双项选择題:本大題共8小题,每小题3分,共计24分。在每小题给出的四个选项中,有两项是符合題目驀求的。每小題选两项且选对者得3分,选错、少选或不选均不得分。
19.AC 20.BD 21.AD 22.AB 23.AB 24.AD 25.CD 26.BC
二、综合题:本大题分必做题(第27 题~29题)和选做题(第30题),共计60分。
27.(13分)
(1)亚热带季风气候(1分)夏季凉爽冬季温和;夏季降水多,冬季降水少(2分)
(2)地势较高,夏季凉爽;地势两髙东低,有利于夏季风深入,夏季降水多;冬季冷气团受云贵髙原地形阻滞,形成“昆明准静止锋”,多连绵阴雨天(3分)
(3)降水季节变化大,冬季降水量少;喀斯特地貌广布,地表水渗漏;多人口多,生活用水量大;水稻种植需水量大(4分)
(4)纬度低热量充足;降水丰富;地形起伏大,垂直自然带谱多(3分)
28.(13分)
(1)种类多;储量大;分布相对集中(分布不均)(3分)
(2)有色金属资源丰富;煤、铀等能源资源丰富(2分)资金不足;科技水平低;基础设施落后(3分)
(3)提髙产业工人技能;加快基础设施建设;扩大生产规模;提高资源利用率;延长产业链,增加附加值(5分)
29.(14分)
(1)中上游地区(或阶梯交界处)(1分)落差大;径流量大(2分)
(2)减少旱涝灾害;减少温室气体排放;减轻大气污染(3分)
(3)航运;供水(2分)
(4)西电东送;川气东输(2分)缓解能源紧张;优化能源消费结构;促进优势产业发展;促进基础设施建设;增加就业机会(任答四点,给4分)
30.A【海洋地理】(10分)
(1)从低纬度向两侧递减;同纬度大洋东部低于西部(2分)太阳辐射;洋流(2分)
(2)中东部增温;中南部水温降低;西部变化不大(任答两点,给2分)厄尔尼诺现象(1分)
(3)降水增多,可能产生洪涝灾害;渔业减产;生态环境恶化(3分)
30.B【旅游地理】(10分)
(1)人文景观(1分)选择合适的时机;亲身体验(2分)
(2)旅游资源的集群和组合状况好;交通便捷;市场距离近;游览价值高;接待能力强(任答四点,给4分)
(3)加强滑雪技能指导;制订滑雪安全防范制度;加强宣传,提髙游客的自我保护意识;鼓励购买旅游保险(任答三点,给3分)
30.C【城乡规划】(10分)
(1)沿快速交通线呈带状分布(1分)方便居民出行(1分)
(2)分布广泛;镶嵌在各住宅区之间(2分)净化空气;美化环境;调节气候;降低噪音(任答三点,给3分)
(3)房屋质量和结构好;基础设施完善;公共服务配套齐全;社会治安好(任答三点,给3分)
30.D【环境保护】
(1)劣Ⅴ类(1分)各监测站都有指标不达Ⅴ类标准(1分)城市生活污水;农田退水(2分)
(2)水体富营养化(1分)藻类大量繁殖;水质恶化;影响水生生物生存;影响生产;危害健康(任答三点,给3分)
(3)加强污水处理;发展生态农业;依法管理,以管促治(任答两点,给2分)